中文 | EN
导向套 JFA
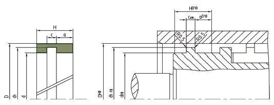
应用范围
活塞用非金属导向套,对活塞起支承与导向作用。
标准材料
尼龙PA、聚甲醛POM及填充聚四氟乙烯F-PTFE
特点
-良好的减振性(径向振动)
-容易安装、牢靠
-金属/塑料材料配对防止了“滞塞”和“咬死”现象
工况条件
速 度
压力范围
温度范围
介 质
可提供直径范围
3m/s
-
-55℃ +225℃
液压油、乳化液、水
40-2000 mm
新能源打气泵密
新能源热泵密封
新能源减振密封
新能源空压机活